| модель | NCF 29/900 V |
| система учета | Метрика |
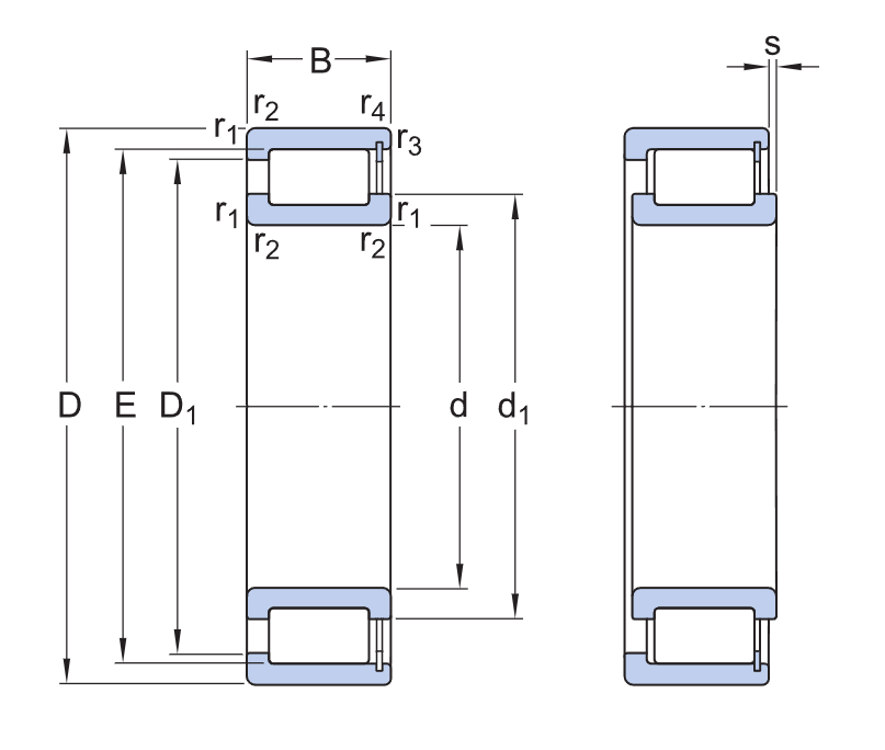
| Тип подшипника | Цилиндрический |
| Направление нагрузки | радиальная сила и осевая сила |
| состав | Полная комплектация одной линии |
| Тип внутреннего кольца | С внутренним кольцом |
| Тип уплотнения | открыть |
| внутренний диаметр | 900 mm |
| Допуск внутреннего диаметра | -0.10mm to 0 |
| Наружный диаметр | 1180 mm |
| допуск на внешний диаметр | -0.125mm to 0 |
| ширина | 165 mm |
| Допуск по ширине | -1.00mm to 0 |
| Диаметр заплечика внутреннего кольца | 996 mm |
| Диаметр заплечика наружного кольца | 1096 mm |
| Диаметр дорожки качения наружного кольца | 1120 mm |
| Размер фаскиr1,2(самый маленький) | 6 mm |
| Разрешить осевое смещение(максимум) | 13 mm |
| материал наконечника | 52100 хромированная сталь |
| Материал ролика | 52100 хромированная сталь |
| Материал клетки | Комплектный каток (без сепаратора) |
| динамическая радиальная нагрузка | 5940 kN |
| Статическая радиальная нагрузка | 14600 kN |
| смазка | смазка、машинное масло |
| диапазон температур | -30° to 110 °C |
| стандарт RoHS | соответствовать |
| стандарт REACH | соответствовать |
| масса | 472 kg |